IDT晶振,5070晶振,8N4S270晶振,IDT 晶振集团是电子元件行业协会 (ECIA) 的正式成员,电子元件行业协会是电子元器件制造商及其供应商授权分销合作伙伴和独立现场销售代表组成的非营利性行业协会.此协会的宗旨是促进和改善电子元器件授权销售的商业环境.
IDT晶振集团开发了能够与处理器,存储器等数字系统,其他半导体以及物理世界连接的半导体解决方案.IDT认为作为一名行业领导者努力解决我们环境所面临的挑战以及社会需求是我们义不容辞的责任.IDT晶振作为较为出色的国际企业,致力于研发生产销售晶振,石英晶振,有源晶振,压控振荡器,温补晶振,石英晶体振荡器等水晶元件.不断提高生产技术以及开发更多高精密石英晶体元器件.IDT 的集成电路被全球的通信、计算和消费产业广泛采用,在全球各地设有研发生产以及运营销售基地.
|
项目 |
符号 |
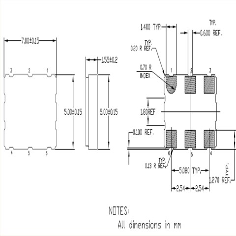
8N4S270晶振规格说明 |
条件 |
|
输出频率范围 |
f0 |
15.476MHz to 1300MHz |
请联系我们以便获取其它可用频率的相关信息 |
|
电源电压 |
VCC |
2.5V to 3.3 V |
请联系我们以了解更多相关信息 |
|
储存温度 |
T_stg |
-55℃to +125℃ |
裸存 |
|
工作温度 |
T_use |
G: -40℃to +85℃ |
请联系我们查看更多资料http://www.seikocrystal.com |
|
H: -40℃to +105℃ |
|||
|
J: -40℃to +125℃ |
|||
|
频率稳定度 |
f_tol |
J: ±50 × 10-6 |
|
|
L: ±100 × 10-6 |
|||
|
T: ±150 × 10-6 |
|||
|
功耗 |
ICC |
3.5 mA Max. |
无负载条件、最大工作频率 |
|
待机电流 |
I_std |
3.3μA Max. |
ST=GND |
|
占空比 |
SYM |
45 % to 55 % |
50 % VCC 极, L_CMOS≦15 pF |
|
输出电压 |
VOH |
VCC-0.4V Min. |
|
|
VOL |
0.4 V Max. |
|
|
|
输出负载条件 |
L_CMOS |
15 pF Max. |
|
|
输入电压 |
VIH |
80% VCCMax. |
ST终端 |
|
VIL |
20 % VCCMax. |
||
|
上升/下降时间 |
tr / tf |
4 ns Max. |
20 % VCCto 80 % VCC极, L_CMOS=15 pF |
|
振荡启动时间 |
t_str |
3 ms Max. |
t=0 at 90 % |
|
频率老化 |
f_aging |
±3 × 10-6/ year Max. |
+25 ℃, 初年度,第一年 |
晶振使用注意事项
抗冲击
贴片晶振可能会在某些条件下受到损坏。例如从桌上跌落或在贴装过程中受到冲击。如果产品已受过冲击请勿使用。
辐射
暴露于辐射环境会导致石英晶体性能受到损害,因此应避免照射。
化学制剂 / pH值环境
请勿在PH值范围可能导致腐蚀或溶解进口晶振或包装材料的环境下使用或储藏这些产品。
粘合剂
请勿使用可能导致SMD晶振所用的封装材料,终端,组件,玻璃材料以及气相沉积材料等受到腐蚀的胶粘剂。 (比如,氯基胶粘剂可能腐蚀一个晶体单元的金属“盖”,从而破坏密封质量,降低性能。)
卤化合物
请勿在卤素气体环境下使用有源晶振。即使少量的卤素气体,比如在空气中的氯气内或封装所用金属部件内,都可能产生腐蚀。同时,请勿使用任何会释放出卤素气体的树脂。
静电
过高的静电可能会损坏石英晶体谐振器,请注意抗静电条件。请为容器和封装材料选择导电材料。在处理的时候,请使用电焊枪和无高电压泄漏的测量电路,并进行接地操作。


Sitime晶振,有源晶振,SiT9001晶振
Sitime晶振,有源晶振,SiT8021晶振
IDT晶振,贴片晶振,8N4Q001晶振
Vectron晶振,贴片晶振,TX-705晶振
Vectron晶振,贴片晶振,TX-707晶振
Vectron晶振,5032晶振,TX-801晶振
Vectron晶振,贴片晶振,VT-701晶振

