KDS晶振,音叉晶振,SM-26F晶振,日本株式会社大真空晶振总公司设立在日本国兵库县加古川市平冈町新在家,大真空株式会社KDS晶振自1959年建立以来一直遵从的三个理念“依赖”于“可靠的人”“可靠的产品”和“可靠的公司”。作为全球石英晶振制造商,大真空KDS晶振努力帮助实现新一代电子社会,更方便人们更舒适,通过开发石英晶振, 压控晶体振荡器(VCXO)、温补晶体振荡器(TCXO)、恒温晶体振荡器(OCXO)、陶瓷谐振器等晶体器件对全球环境友好。
日本株式会社KDS晶振不断努力为我们的客户在日本国内外提供世界一流的质量和满意程度高。所生产石英晶振,陶瓷晶振,声表面滤波器,有源晶振等器件遍布全球,包括美国、英国、德国,到中国,新加坡,泰国和其他亚洲国家。以“依赖”为公司方针,以客户为导向,创新高效的经营管理,努力创造利润,履行企业社会责任。压控晶体振荡器,KDS晶振,32.768K音叉晶体,SM-26F晶振
|
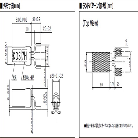
KDS晶振规格 |
单位 |
SM-26F晶振 |
石英晶振基本条件 |
|
标准频率 |
f_nom |
32.768KHZ |
标准频率 |
|
储存温度 |
T_stg |
-40°C~+85°C |
裸存 |
|
工作温度 |
T_use |
-40°C~+85°C |
标准温度 |
|
激励功率 |
DL |
1.0μW Max. |
推荐:1μW~100μW |
|
频率公差 |
f_— l |
±50 × 10-6(标准), |
+25°C对于超出标准的规格说明, |
|
频率温度特征 |
f_tem |
±30 × 10-6/-20°C~+70°C |
超出标准的规格请联系我们. |
|
负载电容 |
CL |
7pF,9pF,12.5pF |
不同负载要求,请联系我们. |
|
串联电阻(ESR) |
R1 |
如下表所示 |
-40°C —+85°C,DL = 100μW |
|
频率老化 |
f_age |
±5 × 10-6/ year Max. |
+25°C,第一年 |
使用每种产品时,请在产品规格说明或产品目录规定使用条件下使用。晶体产品的设计和生产满足它的规格书。通过严格的出厂前可靠性测试以提供高质量高可靠性的产品.但是为了产品的品质和可靠性,必须在适当的条件下存储,安 装,运输。请注意以下的注意事项并在最佳的条件下使用产品,我们将对于客户按自己的判断而使用产品所导致的不良不负任何责任.
存储事项
(1) 在更高或更低温度或高湿度环境下长时间保存晶体产品时,会影响频率稳定性或焊接性。请在正常温度和湿度环境下保存这些晶体产品,并在开封后尽可能进行安装,以免长期储藏。
正常温度和湿度:
温度:+15°C 至 +35°C,湿度 25 % RH 至 85 % RH(请参阅“测试点JIS C 60068-1 / IEC 60068-1的标准条件”章节内容)。
(2) 请仔细处理内外盒与卷带。外部压力会导致卷带受到损坏。
超声波清洗
(1)使用AT-切割晶体和声表面谐振器/滤波器的产品,可以通过超声波进行清洗。但是,在某些条件下, 晶体特性可能会受到影响,而且内部线路可能受到损坏。确保已事先检查系统的适用性。
(2)使用音叉晶体和陀螺仪传感器的产品无法确保能够通过超声波方法进行清洗,因为晶体可能受到破坏。
(3)请勿清洗开启式产品
(4)对于可清洗SMD晶振,应避免使用可能对产品产生负面影响的清洗剂或溶剂等。KDS晶振,32.768K音叉晶体,SM-26F晶振
(5)焊料助焊剂的残留会吸收水分并凝固。这会引起诸如位移等其它现象。这将会负面影响产品的可靠性和质量。请清理残余的助焊剂并烘干PCB。KDS晶振,32.768K音叉晶体,SM-26F晶振
日本大真空株式会社KDS晶振将:
1.日本大真空株式会社KDS晶振遵守法规和监管要求,从事环保产品的开发。
2.环境政策,在其业务活动的所有领域,从开发、生产和销售的压电石英晶体元器件、压电石英晶体、有源晶体、压电陶瓷谐振器,大真空集团业务政策促进普遍信任的环境管理活动.
3.通过适当控制环境影响的物质,减少能源的使用,以达到节约能源和节约资源的目的。
4.有效利用资源,防止环境污染,减少和妥善处理废物,包括再利用和再循环。
5.通过开展节能活动和减少二氧化碳排放防止全球变暖。
6.避免采购或使用直接或间接资助或受益刚果民主共和国或邻近国家武装组织的矿产。
7.推进晶振,石英晶振,有源晶振,压控振荡器, 压电石英晶体、有源晶体等元器件的环保型业务,充分发挥综合实力,推进环保型业务,为减轻社会的环境负荷做出贡献.
8.遵守有关环境保护的法律、标准、协议和任何公司承诺的其他要求。
9.根据环境方针制定环境目标和目标,同时促进这些活动,并定期检讨环境管理体系的持续改进。在我们的环境政策中教育所有员工和为我们的团队工作的人,通过教育和提高意识来提高他们的环保意识。KDS晶振,32.768K音叉晶体,SM-26F晶振


KDS晶振,贴片晶振,DST310S晶振
精工晶振,32.768K晶振,SSP-T7-F晶振
CITIZEN晶体谐振器CM315E,CM315E32768DZFT三脚贴片晶振
32.768KHz/Q13MC3061000300/MC-306/8038mm/12.5pF/±20ppm
C-002RX,Q11C02RX1001300,2x6mm,32.768K,6pF,±20ppm
CU222 32.768KHz晶振,日本纳卡超小型晶振,物联网设备晶振
XB2060 32.768KHz晶振,纳卡圆柱晶振,智能手表晶振
501JCAM032768BAF,Si501,32.768kHz,Silicon微处理器晶振
KDS无铅环保晶振,DST1610A系列32.768K晶振,1TJH125DR1A0004小体积晶振

