-
-
Fortiming晶振,XO53PE晶振,XO53PE-155M520-B25B3晶振
5032mm体积的贴片晶振,可以说是目前小型数码产品的福音,目前超小型的智能手机里面所应用的就是小型的石英晶振,该产品最适用于无线通讯系统,无线局域网,已实现低相位噪声,低电压,低消费电流和高稳定度,超小型,质量轻等产品特点,产品本身编带包装方式,可对应自动高速贴片机应用,以及高温回流焊接,产品无铅对应,为无铅产品.频率:25MHz~270MHz 尺寸:5.0*3.2mm
-
-
Fortiming晶振,XO53LVDS晶振,XO53LVDS-155M520-B25B3晶振
差分晶振有不同的输出信号,LV-PECL,LVDS,HCSL,是差分晶振通用的输出信号.一般为六脚晶振,能够很容易地识别小信号,能够从容精确地处理'双极'信号,对外部电磁干扰(EMI)是高度免疫的.实现高频高精度等要求,更加保障了各种系统参考时钟的可靠性,具有高性能,低功耗,低噪声,低抖动,低损耗等特点.被广泛用于通讯设备,机顶盒,光端机,安防设备及各种频率控制设备上.频率:80MHz~270MHz 尺寸:5.0*3.2mm
-
-
Fortiming晶振,XO53晶振,XO53-25M000-B50A3晶振
5032mm体积的石英晶体振荡器有源晶振,该产品可驱动2.5V的温补晶振,压控晶振,VC-TCXO晶体振荡器产品,电源电压的低电耗型,编带包装方式,可对应自动高速贴片机自动焊接,及IR回流焊接(无铅对应),为无铅产品,超小型,质地轻.产品被广泛应用到集成电路,程控交换系统,无线发射基站频率:1.8432MHZ~156.000MHZ 尺寸:5.0*3.2mm
-
-
Fortiming晶振,XO32-32K768-T晶振,3225mm晶振
32.768K时钟晶体具有小型,薄型,轻型的贴片晶振表面音叉型晶体谐振器,产品具有优良的耐热性,耐环境特性,可发挥晶振优良的电气特性,符合RoHS规定,满足无铅焊接的高温回流温度曲线要求,金属外壳的封装使得产品在封装时能发挥比陶瓷谐振器外壳更好的耐冲击性.
频率:32.768KHz 尺寸:3.2*2.5mm
-
-
Fortiming晶振,XO32晶振,XO32-25M000-B50A3晶振
3225mm体积非常小的SMD晶振器件,是民用小型无线数码产品的最佳选择,小体积的晶振被广泛应用到,手机蓝牙,GPS定位系统,无线通讯集,高精度和高频率的稳定性能,非常好的减少电磁干扰的影响,是民用无线数码产品最好的选择,符合RoHS/无铅.频率:300KHz~133.00MHz 尺寸:3.2*2.5mm
-
-
Fortiming晶振,XO22晶振,XO22-25M000-B50A3晶振
小型贴片石英晶振主要采用了,先进的晶片的抛光工艺技术,是晶体行业中石英晶片研磨技术中表面处理的最高技术,最终使晶片表面更光洁,平行度及平面度更好,大大的降低谐振电阻,使精度得到了很大的提升。改变了传统的生产工艺,使产品在各项参数得到了很大的改良,外观尺寸具有薄型表面贴片型石英晶体谐振器,特别适用于有小型化要求的市场领域,比如智能手机,无线蓝牙,平板电脑等电子数码产品。频率:500KHz~133.00MHz 尺寸:2.5*2.0mm
-
-
Fortiming晶振,XCS75晶振,XCS75-56M448-3A50C18晶振
石英晶体谐振器是一种生活中随处可见的电子器件,诞生于20世纪20年代初,因具有较高的品质因数及良好的频率稳定性,被广泛应用于航天、通信、军事等工业领域。顾名思义,制造石英晶体谐振器的原材料就是石英,一种非常重要的压电材料。其主要特征是其原子或分子有规律排列,反映在宏观上是外形的对称性,在电场的作用下,晶体内部产生应力而形变,从而产生机械振动,获得特定的频率。
频率:8MHZ~150MHZ 尺寸:7.0*5.0mm
-
-
Fortiming晶振,XCS64晶振,XCS64-13M000-1A50C18晶振
6035mm体积非常小的SMD晶振器件,是民用小型无线数码产品的最佳选择,小体积的晶振被广泛应用到,手机蓝牙,GPS定位系统,无线通讯集,高精度和高频率的稳定性能,非常好的减少电磁干扰的影响,是民用无线数码产品最好的选择,符合RoHS/无铅.频率:10MHZ~150MHZ 尺寸:6.0*3.5mm
-
-
Fortiming晶振,XCS53晶振,XCS53-25M000-1C50C12晶振
5032mm体积非常小的SMD晶振器件,是民用小型无线数码产品的最佳选择,小体积的晶振被广泛应用到,手机蓝牙,GPS定位系统,无线通讯集,高精度和高频率的稳定性能,非常好的减少电磁干扰的影响,是民用无线数码产品最好的选择,符合RoHS/无铅.频率:8MHZ~250MHZ 尺寸:5.0*3.2mm
-
-
Fortiming晶振,XCS42晶振,XCS42-16M000-1C25C9晶振
小型贴片石英晶振主要采用了,先进的晶片的抛光工艺技术,是晶体行业中石英晶片研磨技术中表面处理的最高技术,最终使晶片表面更光洁,平行度及平面度更好,大大的降低谐振电阻,使精度得到了很大的提升。改变了传统的生产工艺,使产品在各项参数得到了很大的改良,外观尺寸具有薄型表面贴片型石英晶体谐振器,特别适用于有小型化要求的市场领域,比如智能手机,无线蓝牙,平板电脑等电子数码产品。频率:13MHZ~32MHZ 尺寸:4.0*2.5mm
-
-
Fortiming晶振,XCS32晶振,XCS32-26M000-1E10G10晶振
3225mm体积非常小的SMD晶振器件,是民用小型无线数码产品的最佳选择,小体积的晶振被广泛应用到,手机蓝牙,GPS定位系统,无线通讯集,高精度和高频率的稳定性能,非常好的减少电磁干扰的影响,是民用无线数码产品最好的选择,符合RoHS/无铅.频率:8MHZ~160MHZ 尺寸:3.2*2.5mm
-
-
Fortiming晶振,XCS22晶振,XCS22-26M000-1E10G10晶振
石英晶体谐振器是一种生活中随处可见的电子器件,诞生于20世纪20年代初,因具有较高的品质因数及良好的频率稳定性,被广泛应用于航天、通信、军事等工业领域。顾名思义,制造石英晶体谐振器的原材料就是石英,一种非常重要的压电材料。其主要特征是其原子或分子有规律排列,反映在宏观上是外形的对称性,在电场的作用下,晶体内部产生应力而形变,从而产生机械振动,获得特定的频率。
频率:12MHZ~80MHZ 尺寸:2.5*2.0mm
-
-
Fortiming晶振,XCS21晶振,XCS21-26M000-1E10C10晶振
2016mm体积的晶振,可以说是目前小型数码产品的福音,目前超小型的智能手机里面所应用的就是小型的石英晶振,该产品最适用于无线通讯系统,无线局域网,已实现低相位噪声,低电压,低消费电流和高稳定度,超小型,质量轻等产品特点,产品本身编带包装方式,可对应自动高速贴片机应用,以及高温回流焊接(产品无铅对应),为无铅产品.频率:18MHZ~60MHZ 尺寸:2.0*1.6mm
-
-
Fortiming晶振,XCR53晶振,XCR53-27M000-1C20D10晶振
5032mm体积的晶振,可以说是目前小型数码产品的福音,目前超小型的智能手机里面所应用的就是小型的石英晶振,该产品最适用于无线通讯系统,无线局域网,已实现低相位噪声,低电压,低消费电流和高稳定度,超小型,质量轻等产品特点,产品本身编带包装方式,可对应自动高速贴片机应用,以及高温回流焊接(产品无铅对应),为无铅产品.频率:10MHZ~54MHZ 尺寸:5.0*3.2mm
-
-
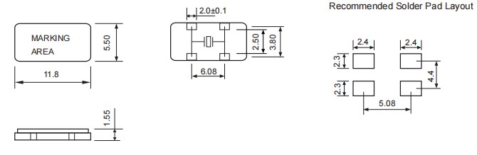
Fortiming晶振,XCR1晶振,XCR1-3M579545-1B30C18晶振
小型贴片石英晶振主要采用了,先进的晶片的抛光工艺技术,是晶体行业中石英晶片研磨技术中表面处理的最高技术,最终使晶片表面更光洁,平行度及平面度更好,大大的降低谐振电阻,使精度得到了很大的提升。改变了传统的生产工艺,使产品在各项参数得到了很大的改良,外观尺寸具有薄型表面贴片型石英晶体谐振器,特别适用于有小型化要求的市场领域,比如智能手机,无线蓝牙,平板电脑等电子数码产品。频率:3.5000MHZ~30.000MHZ 尺寸:11.8*5.5mm
-
-
Fortiming晶振,XCB75晶振,XCB75- 4M000-1A50C18晶振
小型贴片石英晶振主要采用了,先进的晶片的抛光工艺技术,是晶体行业中石英晶片研磨技术中表面处理的最高技术,最终使晶片表面更光洁,平行度及平面度更好,大大的降低谐振电阻,使精度得到了很大的提升。改变了传统的生产工艺,使产品在各项参数得到了很大的改良,外观尺寸具有薄型表面贴片型石英晶体谐振器,特别适用于有小型化要求的市场领域,比如智能手机,无线蓝牙,平板电脑等电子数码产品。频率:4MHZ~15MHZ 尺寸:7.0*5.0mm
-
-
Fortiming晶振,WXP2A晶振,防震晶振
32.768K时钟晶体具有小型,薄型,轻型的贴片晶振表面音叉型晶体谐振器,产品具有优良的耐热性,耐环境特性,可发挥晶振优良的电气特性,符合RoHS规定,满足无铅焊接的高温回流温度曲线要求,金属外壳的封装使得产品在封装时能发挥比陶瓷谐振器外壳更好的耐冲击性.
频率:32.768KHZ 尺寸:8.7*3.7mm
推荐资讯 / Recommended News
- 2023-08-11 京瓷株式会社
- 2019-12-10 网络通讯公司倒闭,对晶振行业有何警示
- 2019-02-21 未来会出现哪些物联网智能行业
- 2022-09-28 SG5032CAN晶体振荡器X1G004451019800适用于单片机应用
- 2022-08-19 EB8WSDX12-32.768KTR陶瓷表面贴装SMD晶振
- 2019-09-04 应用于汽车级的ILSI晶体谐振器与振荡器型号
- 2022-05-26 M602-012.8M精密超小型5.0x3.2mmTCXO/VCTCXO专为电信应用而设计
- 2019-02-15 4个隐藏的石英晶体振荡器之谜
- 2023-02-15 无线模块专用的SMD晶体ECS-200-10-36Q-ES-TR
- 2022-08-22 HCMOS输出晶体振荡器FO1HKLBM0.032768-T3稳定性高达20ppm
- 2017-12-09 晶振让我们的生活更加便捷,但你宅真的和晶振有关系吗?
- 2022-06-08 OX-171是一款高稳定性恒温晶体振荡器提供出色的相位噪声和艾伦偏差,OX-1710-DAE-1091-10M0000000
- 2022-05-07 编码AST3TDATACJ5-20.0000MHz适用于5G应用的SMD精密时序解决方案
- 2018-02-02 石英晶体介电性质
- 2025-06-17 美国Greenray格林雷晶振为通信行业设计的无线和卫星通信温控振荡器
- 2024-03-07 Microchip用switch tec PCIe开关驱动汽车的未来
精工晶振
富士晶振
雾化片
石英晶振
石英晶体振荡器
贴片晶振
32.768KHz晶振
欧美进口晶振
- KDS晶振
- 爱普生晶振
- NDK晶振
- 京瓷晶振
- 西铁城晶振
- 村田晶振
- 大河晶振
- CTS晶振
- 微晶晶振
- 瑞康晶振
- 康纳温菲尔德晶振
- 高利奇晶振
- Jauch晶振
- AbraconCrystal
- 维管晶振
- ECS晶振
- 日蚀晶振
- 拉隆晶振
- 格林雷晶振
- SiTime晶振
- IDT晶振
- Statek晶振
- Pletronics晶振
- ACT晶振
- MTI-Milliren晶振
- LiHom晶振
- 美国Rubyquartz晶振
- Oscilent晶振
- 日本纳卡晶振
- SHINSUNG晶振
- ITTI晶振
- SMI晶振
- PDI晶振
- C-TECH晶振
- NJR晶振
- IQD晶振
- Microchip晶振
- Silicon晶振
- Fortiming晶振
- CORE晶振
- NIPPON晶振
- NIC晶振
- QVS晶振
- Bomar晶振
- Bliley晶振
- GED晶振
- Filtronetics晶振
- STD晶振
- Q-Tech晶振
- Anderson晶振
- Wenzel晶振
- NEL晶振
- EM晶振
- PETERMANN晶振
- FCD-Tech晶振
- HEC晶振
- FMI晶振
- Macrobizes晶振
- AXTAL晶振
- SUNNY晶振
- ARGO晶振
- Skyworks晶振
- 瑞萨renesas晶振
- Dynamic迪拉尼晶振
谐振器/滤波器
数码电子产品
汽车电子产品
新增进口品牌
温补晶振
差分晶振
恒温晶振
咨询热线
0755-27838351
电话:0755-27838351
手机:138 2330 0879
QQ:632862232
邮箱: konuaer@163.com
地址:广东深圳市宝安区宝安大道东95号浙商大厦1905









康华尔公众号


