NSK晶振,32.768K晶振,NXF 3-8晶振
频率:32.768KHZ
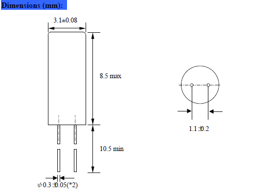
尺寸:3.0×8.0mm
	 
 
NSK晶振,32.768K晶振,NXF 3-8晶振,台湾津绽晶体科技是专业的石英晶振,石英晶振,陶瓷晶振,声表面滤波器,有源晶振,压控振荡器,贴片晶振制作商,公司创于台湾1996年成立,创建品牌为【NSK】1997年在香港成立分公司,1998年在深圳成立分部,2001年到广东省东莞市投资建厂,主要生产石英晶体谐振器,无源晶振,与石英晶体振荡器,有源晶振,东冠生产线主要生产小尺寸SMD晶振系列.
津绽晶振公司是世界领先的频率控制组件制造商:石英晶体、晶体振荡器、压控晶体振荡器的主要和关键的电子产品的一部分.津绽为客户提供高质量的晶体组件在电子产品的广泛使用,例如,无线、电信、网络、计算机及外围设备、GSM等通信设备.津绽一直支持台湾与国际客户提供质量晶体超过10年.
	32.768K晶振系列插件晶体具有一致性良好,频率稳定度高,耐抗震强,每批次出厂均采用24小时老化测试,产品精度分为以下几种±20ppm,±10ppm,±5ppm,也可以根据客户需求特殊分为+偏差,或者-偏差,产品使用温度高温可达到+85°低温可达到-40℃,产品被广泛应用到比较高端的汽车电子产品,民用产品有家用电器,智能笔记本,MP3,MP4多功能播放器,智能手表等产品.
	 
 
| NSK晶振规格 | 单位 | NXF 3-8晶振频率范围 | 石英晶振基本条件 | 
| 标准频率 | f_nom | 32.768KHZ | 标准频率 | 
| 储存温度 | T_stg | -40°C ~ +85°C | 裸存 | 
| 工作温度 | T_use | -10°C ~ +60°C | 标准温度 | 
| 激励功率 | DL | 10μW Max. | 推荐:1μW ~ 100μW | 
| 频率公差 | f_— l | 
					±20 × 10-6 (标准), | 
					+25°C 对于超出标准的规格说明, | 
| 频率温度特征 | f_tem | ±30 × 10-6/-20°C ~ +70°C | 超出标准的规格请联系我们. | 
| 负载电容 | CL | 8pF~32PF | 超出标准说明,请联系我们. | 
| 串联电阻(ESR) | R1 | 如下表所示 | -40°C — +85°C, DL = 100μW | 
| 频率老化 | f_age | ±3 × 10-6 / year Max. | +25°C,第一年 | 
	 
 
	 
 
	 
 
在使用NSK晶振时应注意以下事项:
1:抗冲击
抗冲击是指晶振产品可能会在某些条件下受到损坏.例如从桌上跌落,摔打,高空抛压或在贴装过程中受到冲击.如果产品已受过冲击请勿使用.因为无论何种石英晶振,其内部晶片都是石英晶振制作而成的,高空跌落摔打都会给晶振照成不良影响.
2:辐射
将贴片晶振暴露于辐射环境会导致产品性能受到损害,因此应避免阳光长时间的照射.
3:化学制剂 / pH值环境
请勿在PH值范围可能导致腐蚀或溶解石英晶振或包装材料的环境下使用或储藏这些产品.插件圆柱晶振,32.768K晶振,NXF 3-8晶振
4:粘合剂
请勿使用可能导致石英晶振所用的封装材料,终端,组件,玻璃材料以及气相沉积材料等受到腐蚀的胶粘剂.(比如,氯基胶粘剂可能腐蚀一个晶振的金属“盖”,从而破坏密封质量,降低性能.)
5:卤化合物
请勿在卤素气体环境下使用晶振.即使少量的卤素气体,比如在空气中的氯气内或封装所用金属部件内,都可能产生腐蚀.同时,请勿使用任何会释放出卤素气体的树脂.
6:静电
过高的静电可能会损坏贴片晶振,请注意抗静电条件.请为容器和封装材料选择导电材料.在处理的时候,请使用电焊枪和无高电压泄漏的测量电路,并进行接地操作.
	 
 
台湾津绽NSK晶振科技股份有限公司藉由环境/安卫管理系统的推动执行,以整合内部资源,奠定经营管理的基础.藉执行环境考虑面/安卫危害鉴别作业,环境/安卫管理方案和内部稽核为手段,合理化推动环境/安卫管理,落实环境/安卫系统有效实施.并不断透过教育训练灌输员工环境/安卫观念及意识,藉由改善公司制程以达到污染预防、工业减废、安全与卫生、符合法规要求使企业永续发展减少环境/安卫负担,并满足客户需求,获得客户的信赖而努力.
台湾NSK晶振环保基本理念:
1.作为良好的企业市民,遵循本公司的行动方针,充分关心维护地球环境。遵守国内外的有关环保法规。
2.保护自然环境,充分关注自然生态等方面的环境保护,维持和保全生物多样性。
3.有效利用资源和能源,生产陶瓷晶振,石英晶振认识到资源和能源的有限性,努力进行有效利用。
4为构建循环型社会做出贡献,致力于减少废弃物及废弃物的再利用核再生循环,努力构建循环型社会。
5.推进晶振厂家环保型业务,充分发挥综合实力,推进环保型业务,为减轻社会的环境负荷做出贡献。插件圆柱晶振,32.768K晶振,NXF 3-8晶振
	 
 
精工富士晶振-康华尔正规渠道指定供应商
服务热线:0755-27838351
手机联系:138-2330-0879
Q Q联系:632862232
邮 箱:konuaer@163.com
地 址:广东深圳市宝安区宝安大道东95号浙商大厦1905
采购:NSK晶振,32.768K晶振,NXF 3-8晶振
- *联系人:
- *手机:
- 公司名称:
- 邮箱:
- *采购意向:
- 
                            *验证码:
跟此产品相关的产品 / Related Products
 
- 瑞康晶振,2520晶振,RSX-10晶振
- 贴片石英晶体,体积小,焊接可采用自动贴片系统,产品本身小型,表面贴片晶振,特别适用于有小型化要求的电子数码产品市场领域,因产品小型,薄型优势,耐环境特性,包括耐高温,耐冲击性等,在移动通信领域得到了广泛的应用,晶振产品本身可发挥优良的电气特性,满足无铅焊接的高温回流温度曲线要求。
 
- 百利通亚陶晶振,石英晶振,FYQ晶振
- 贴片石英晶体,体积小,焊接可采用自动贴片系统,产品本身小型,表面贴片晶振,特别适用于有小型化要求的电子数码产品市场领域,因产品小型,薄型优势,耐环境特性,包括耐高温,耐冲击性等,在移动通信领域得到了广泛的应用,晶振产品本身可发挥优良的电气特性,满足无铅焊接的高温回流温度曲线要求.
 
- ConnorWinfield晶振CS-018,CS-018-114.285M小体积3225晶振
- ConnorWinfield晶振CS-018,CS-018-114.285M小体积3225晶振,ConnorWinfield康纳温菲尔德晶振,美国进口晶振,CS-018石英贴片晶振是一款小体积晶振,外形尺寸3.2x2.5mm贴片晶振,四脚贴片晶振,无源晶振,CS-034-040.0M石英晶振,石英晶体谐振器,无铅环保晶振,表面安装在AT切割的第三泛音晶体。它们在许多频率合成器和PLL应用中被用作参考晶体。频率为:114.285MHz,频率校准:±20ppm,频率稳定性:CS-018:±100ppm,温度范围:-40至85°C,表面安装包装带和卷轴包装符合RoHS/无铅,应用于移动通讯设备,无线网络,蓝牙晶振,汽车电子,导航仪,GPS定位,物联网,平板电脑,医疗设备,数码电子等应用。
咨询热线
 0755-27838351
 0755-27838351
                        电话:0755-27838351
手机:138 2330 0879
QQ:632862232
邮箱: konuaer@163.com
地址:广东深圳市宝安区宝安大道东95号浙商大厦1905
 
            









 
  康华尔公众号
康华尔公众号


