Jauch晶振,插件晶振,HC49/U晶振
频率:1.8432~250MHz
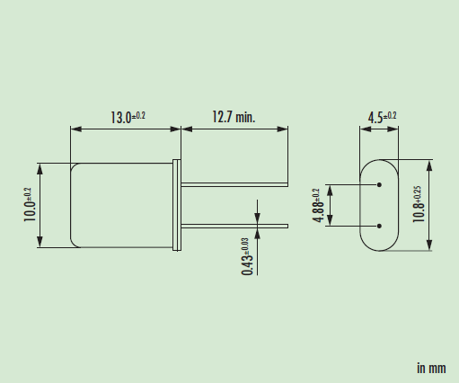
尺寸:10.8×4.5mm
Jauch晶振,插件晶振,HC49/U晶振,自2003年以来,Jauch Quartz France一直是Jauch集团的组成部分.快速反应时间,一个有才华员工的小而灵活的团队,以及我们强大的客户中心使我们成为典型的Jauch公司.我们提供各种压电石英晶体元器件、压电石英晶体、有源晶体、石英晶振,有源晶振,压控振荡器产品,从Jauch的产品组合.电力供应、连接器和电缆、声学组件、键盘和变压器为我们提供了在法国市场上额外的销售和增长机会.插件石英晶振,49U插件晶振,HC49/U晶振
Jauch晶振公司在现行法规框架内保障职业健康和安全,并支持持续发展和改善工作环境.它定期提供有关健康保护、安全标准和安全程序的信息.当前立法.工作环境被安排符合法定的规章制度,确保员工的福利.Jauch集团把安全健康的工作环境视为理所当然的事情,因为它还有助于提高石英晶振,有源晶振,压控振荡器, 温补晶振,石英晶体振荡器等产品和服务的质量.
|
Jauch晶振规格 |
单位 |
HC49/U晶振频率范围 |
石英晶振基本条件 |
|
标准频率 |
f_nom |
1.8432~250MHz |
标准频率 |
|
储存温度 |
T_stg |
-40°C~+125°C |
裸存 |
|
工作温度 |
T_use |
-40°C~+85°C |
标准温度 |
|
激励功率 |
DL |
200μW Max. |
推荐:1μW~100μW |
|
频率公差 |
f_— l |
±50 × 10-6 (标准), |
+25°C对于超出标准的规格说明,请联系我们以便获取相关的信息,http://www.seikocrystal.com/ |
|
频率温度特征 |
f_tem |
±30 × 10-6/-20°C~+70°C |
超出标准的规格请联系我们. |
|
负载电容 |
CL |
7pF~∞ |
不同负载要求,请联系我们. |
|
串联电阻(ESR) |
R1 |
如下表所示 |
-40°C — +85°C, DL = 100μW |
|
频率老化 |
f_age |
±5 × 10-6 / year Max. |
+25°C,第一年 |
机械振动的影响
当石英晶体产品上存在任何给定冲击或受到周期性机械振动时,比如:压电扬声器,压电蜂鸣器,以及喇叭等,输出频率和幅度会受到影响。这种现象对通信器材通信质量有影响。尽管晶体产品设计可最小化这种机械振动的影响,我们推荐事先检查并按照下列安装指南进行操作。
存储事项
(1) 在更高或更低温度或高湿度环境下长时间保存石英晶体谐振器时,会影响频率稳定性或焊接性。请在正常温度和湿度环境下保存这些晶体产品,并在开封后尽可能进行安装,以免长期储藏。
正常温度和湿度:
温度:+15°C 至 +35°C,湿度 25 % RH 至 85 % RH(请参阅“测试点JIS C 60068-1 / IEC 60068-1的标准条件”章节内容)。
(2) 请仔细处理内外盒与卷带。外部压力会导致卷带受到损坏。
自动安装时的冲击
自动安装和真空化引发的冲击会破坏产品特性并影响这些产品。请设置安装条件以尽可能将冲击降至最低,并确保在安装前未对石英特性产生影响。条件改变时,请重新检查安装条件。同时,在安装前后,请确保晶体产品未撞击机器或其他电路板等。插件石英晶振,49U插件晶振,HC49/U晶振
Jauch晶振环保事项:
1.为环境保护和降低成本开发绿色技术.
2.为协调发展,共同参与社会的环境、健康与安全的改善活动.
3.在石英晶体, 石英晶振,有源晶振,压控振荡器产品的整个生命周期内确定、评价和改进重要的环境、健康和安全因素.
4.建立和维护以国际协定和国家环境、健康与安全法律法规为基础的企业内部标准.
5.为防止事故的发生和制造清洁的生产环境,开发生产过程的安全技术,明确紧急状态反应的职责.插件石英晶振,49U插件晶振,HC49/U晶振
6.严格遵守国家有关工程建设法律、法规,不断提高员工的质量意识和能力,履行合约、信守承诺,坚持开拓创新,不断提升企业的施工技术素质和质量管理水平,以科学学严密的施工管理和真诚的服务让业主高度满意.
7.在贴片晶振,压控振荡器产品的规划到制造、运行维修等整个过程中,努力提供环保型的产品和服务.在业务活动中,努力节约资源并节省能源,致力于减少废弃物和再生资源的回收利用。
精工富士晶振-康华尔正规渠道指定供应商
服务热线:0755-27838351
手机联系:138-2330-0879
Q Q联系:632862232
邮 箱:konuaer@163.com
地 址:广东深圳市宝安区宝安大道东95号浙商大厦1905
采购:Jauch晶振,插件晶振,HC49/U晶振
- *联系人:
- *手机:
- 公司名称:
- 邮箱:
- *采购意向:
-
*验证码:
跟此产品相关的产品 / Related Products

- AXTAL晶振,AXLE5032-V-5-C-05-4F_Rev.2–12.800MHz晶振,温补晶振,石英晶振
- AXTAL晶振,AXLE5032-V-5-C-05-4F_Rev.2–12.800MHz晶振,温补晶振,石英晶振,进口贴片晶振,TCXO石英晶体,编码为:AXLE5032-V-5-C-05-4F_Rev.2–12.800MHz,频率:12.8 MHz,频率稳定性:±0.5ppm,电源电压为:1.5V,工作温度范围:-40℃至+85℃,小体积晶振尺寸:5.0x3.2mm,HCMOS输出石英晶振,温度补偿振荡器,该晶振产品外观是金属封装,具备超高的封闭性能,产品本身使用无铅化,卷带SMD包装,可采用高速贴片机进行焊接,具备优良的耐热特性,耐环境特性,在市场上被应用于消费电子晶振,可穿戴智能晶振和计算机电脑晶振等产品中。

- Samsung晶振,贴片晶振,石英晶振,SX-49S-10-10HZ-20.000MHz-18pF晶振
- Samsung晶振,贴片晶振,石英晶振,SX-49S-10-10HZ-20.000MHz-18pF晶振,石英晶体,进口无源晶振,SMD有源晶体,欧美有源晶振,编码为:SX-49S-10-10HZ-20.000MHz-18pF,频率:20 MHz,频率稳定性:±10ppm,频率公差为:±10ppm,负载电容为:18pF,工作温度范围:-20℃至+70℃,小体积晶振尺寸:12.4x4.9mm,晶振厂家,石英贴片晶振,49SMD晶振,高品质石英晶振,低衰减石英晶振,韩国新松晶振,石英贴片晶振,高精度有源谐振器,该晶振产品时常应用于时钟钟表晶振,物联网4G晶振和智能遥控器晶振等产品中。

- 石英贴片晶体,TST嘉硕晶振,TZ1166A晶振,高品质无源晶振
- 石英贴片晶体,TST嘉硕晶振,TZ1166A晶振,高品质无源晶振,无源贴片晶体,台产无源石英晶振,嘉硕石英谐振器,两脚贴片晶体,编码为:TZ1166A,频率:32.768 KHz,频率稳定为:±20ppm,频率公差为:±20ppm,负载电容为:7PF,工作温度范围:-40℃至+85℃,晶振体积尺寸为:3.2x1.5mm,高品质石英晶振,石英晶体谐振器,高性能无源晶体,TST无源贴片晶振,3215mm石英晶振,石英晶体谐振器,该贴片石英晶体体积小,焊接可采用自动贴片系统,产品本身可发挥优良的电气特性,满足无铅焊接的高温回流温度曲线要求,在网络通信领域得到了广泛的应用。
精工晶振
富士晶振
雾化片
石英晶振
石英晶体振荡器
贴片晶振
32.768KHz晶振
欧美进口晶振
- KDS晶振
- 爱普生晶振
- NDK晶振
- 京瓷晶振
- 西铁城晶振
- 村田晶振
- 大河晶振
- CTS晶振
- 微晶晶振
- 瑞康晶振
- 康纳温菲尔德晶振
- 高利奇晶振
- Jauch晶振
- AbraconCrystal
- 维管晶振
- ECS晶振
- 日蚀晶振
- 拉隆晶振
- 格林雷晶振
- SiTime晶振
- IDT晶振
- Statek晶振
- Pletronics晶振
- ACT晶振
- MTI-Milliren晶振
- LiHom晶振
- 美国Rubyquartz晶振
- Oscilent晶振
- 日本纳卡晶振
- SHINSUNG晶振
- ITTI晶振
- SMI晶振
- PDI晶振
- C-TECH晶振
- NJR晶振
- IQD晶振
- Microchip晶振
- Silicon晶振
- Fortiming晶振
- CORE晶振
- NIPPON晶振
- NIC晶振
- QVS晶振
- Bomar晶振
- Bliley晶振
- GED晶振
- Filtronetics晶振
- STD晶振
- Q-Tech晶振
- Anderson晶振
- Wenzel晶振
- NEL晶振
- EM晶振
- PETERMANN晶振
- FCD-Tech晶振
- HEC晶振
- FMI晶振
- Macrobizes晶振
- AXTAL晶振
- SUNNY晶振
- ARGO晶振
- Skyworks晶振
- 瑞萨renesas晶振
- Dynamic迪拉尼晶振
谐振器/滤波器
数码电子产品
汽车电子产品
新增进口品牌
温补晶振
差分晶振
恒温晶振
咨询热线
0755-27838351
电话:0755-27838351
手机:138 2330 0879
QQ:632862232
邮箱: konuaer@163.com
地址:广东深圳市宝安区宝安大道东95号浙商大厦1905











康华尔公众号


